1. Úvod
This manual provides essential information for the safe and efficient installation, operation, and maintenance of your Zoeller M53 Mighty-mate Submersible Sump Pump. Please read all instructions carefully before installation and use. Retain this manual for future reference.
Image 1.1: The Zoeller M53 Mighty-mate Submersible Sump Pump. This image displays the complete sump pump unit, highlighting its compact design and the integrated float switch mechanism.
2. Bezpečnostní informace
VAROVÁNÍ: Nebezpečí úrazu elektrickým proudem. Toto čerpadlo se dodává s uzemňovacím vodičem a zástrčkou uzemňovacího typu. Abyste snížili riziko úrazu elektrickým proudem, ujistěte se, že je připojen pouze k řádně uzemněné zásuvce uzemňovacího typu.
- Always disconnect power to the pump before handling or servicing.
- Do not operate the pump in areas where flammable liquids or explosive gases are present.
- Ujistěte se, že veškeré elektrické připojení provádí kvalifikovaný elektrikář a že jsou v souladu s místními předpisy.
- Do not use the pump for pumping potable water or in applications involving human contact.
- Keep hands clear of the impeller and discharge opening when the pump is connected to power.
- Nezvedejte čerpadlo za napájecí kabel.
3. Konec produktuview a funkce
The Zoeller M53 pump is designed for reliable removal of clear water from sump pits. Key features include:
- Automatický provoz: Equipped with a float-activated switch for automatic on/off cycling.
- Non-Clogging Design: Features a vortex impeller to prevent clogging from small solids.
- Odolná konstrukce: Built with a robust cast iron switch case, motor, and pump housing for extended life.
- Odolnost proti korozi: Utilizes stainless steel hardware for enhanced durability.
- Efficient Discharge: Standard 1-1/2 inch NPT discharge for effective water removal.
- Thermoplastic Base: Includes a durable plastic base.
Image 3.1: Stainless Steel Hardware. This image highlights the stainless steel components used in the pump's construction, indicating corrosion resistance.
Image 3.2: Thermoplastic Base. This image shows the pump's base, which is made from durable thermoplastic material.
Image 3.3: 1 1/2 NPT Discharge. This image focuses on the pump's discharge port, indicating its standard size for plumbing connections.
4. Specifikace
| Atribut | Hodnota |
|---|---|
| Značka | Zoeller |
| Číslo modelu | 53-0001 (M53) |
| Koňská síla | 1/3 HP (0.33 HP) |
| svtage | 115 voltů (AC) |
| Hertz | 60 Hz |
| Fáze | 1ph |
| Amps | 9.7 Amps |
| Maximální výška zdvihu | 19.25 stop |
| Velikost výboje | 1-1/2 palce NPT |
| Typ oběžného kola | Vírové oběžné kolo |
| Materiál oběžného kola | Konstruovaný plast |
| Manipulace s pevnými látkami | 1/2 inch (12 mm) spherical solids |
| Galonů za hodinu (GPH) | 2580 XNUMX GPH |
| Galony za minutu (GPM) | 43 GPM |
| Délka kabelu | 9 stop (2.7 m) |
| Rozměry produktu (D x Š x V) | 9.96 cm x 7.95 cm x 10.16 cm |
| Hmotnost položky | 21 libry |
| Materiál | Cast Iron, Plastic (Base) |
| Zdroj napájení | Elektrický kabel |
| Specifická použití | Inside (Sump Pump applications) |
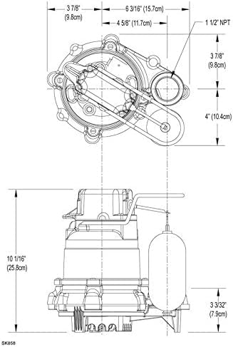
Image 4.1: Dimensional Drawing of the Zoeller M53 Sump Pump. This diagram provides precise measurements of the pump from top and side views, including the float mechanism.
5. Nastavení a instalace
Proper installation is crucial for the safe and effective operation of your sump pump. It is recommended that installation be performed by a qualified professional.
5.1 Kontrolní seznam před instalací
- Verify that the sump pit is clean and free of debris.
- Ensure the sump pit is large enough to accommodate the pump and allow for proper float operation.
- Confirm that a properly grounded 115V AC electrical outlet is available within reach of the pump's power cord.
- Acquire necessary plumbing fittings, including a check valve and discharge pipe.
5.2 kroky instalace
- Umístěte čerpadlo: Place the pump on a solid, level surface at the bottom of the sump pit. Ensure the float switch can move freely without obstruction from the pit walls or other components.
- Connect Discharge Piping: Attach a 1-1/2 inch NPT discharge pipe to the pump's outlet. Use appropriate thread sealant.
- Instalace zpětného ventilu: Install a check valve in the discharge line above the pump to prevent water from flowing back into the sump pit when the pump turns off.
- Route Discharge Line: Extend the discharge line to an appropriate outdoor drainage area, ensuring it slopes away from the foundation.
- Elektrické připojení: Plug the pump's power cord into a properly grounded 115V AC outlet. Do not use extension cords.
- Testovací provoz: Fill the sump pit with water to activate the float switch and ensure the pump turns on, discharges water, and turns off correctly.
Image 5.1: Illuminated Power Plug. This image shows the pump's power plug with an integrated light, indicating power is supplied to the unit.
6. Provoz
The Zoeller M53 pump operates automatically via its integrated float switch. When water in the sump pit rises to a predetermined level, the float switch activates the pump. The pump will then discharge water until the level drops, at which point the float switch deactivates the pump.
- Ensure the float switch has a clear path of travel and is not hindered by debris or the sump pit walls.
- Periodically check the pump's operation by pouring water into the sump pit to observe its on/off cycle.
Video 6.1: Sump Pump Operation Overview. This video demonstrates the typical operation of a submersible sump pump, including the activation and deactivation cycle based on water levels.
7. Údržba
Pravidelná údržba zajišťuje optimální výkon a prodlužuje životnost vašeho ponorného čerpadla.
7.1 Měsíční kontroly
- Inspect Sump Pit: Remove any debris, dirt, or sediment that may have accumulated in the pit.
- Check Float Switch: Ensure the float switch moves freely and is not obstructed. Manually lift the float to verify the pump turns on and off.
- Zkontrolujte napájecí kabel: Inspect the power cord for any signs of damage, fraying, or wear.
- Poslouchejte neobvyklé zvuky: Pay attention to any abnormal sounds during operation, which could indicate a problem.
7.2 Roční kontroly
- Čisté oběžné kolo: Disconnect power, remove the pump from the pit, and inspect the impeller for debris. Clean as necessary.
- Check Check Valve: Ensure the check valve is functioning correctly and not allowing backflow.
8. Řešení problémů
Before attempting any repairs, always disconnect the pump from the power source.
| Problém | Možná příčina | Řešení |
|---|---|---|
| Čerpadlo se nezapne. | No power; tripped circuit breaker; faulty float switch; clogged impeller. | Check power supply and breaker. Inspect float switch for obstruction. Disconnect power and inspect/clean impeller. |
| Čerpadlo běží nepřetržitě. | Float switch stuck in "on" position; faulty check valve; pump undersized. | Check float switch for obstruction. Inspect/replace check valve. Consult a professional for pump sizing. |
| Pump runs but no water discharges. | Clogged discharge pipe; clogged impeller; air lock. | Clear discharge pipe. Disconnect power and clean impeller. Relieve air lock by tilting pump or drilling a small relief hole in discharge pipe below check valve. |
| Čerpadlo cykluje příliš často. | Sump pit too small; faulty check valve; water backflowing. | Consider a larger sump pit. Inspect/replace check valve. Ensure discharge pipe slopes away from foundation. |
9. Záruka a podpora
For specific warranty details and terms, please refer to the warranty card included with your product or visit the official Zoeller website. If you require technical assistance or have questions regarding your Zoeller M53 sump pump, please contact Zoeller customer support directly.
Zoeller Company Contact Information:
- Oficiální Webmísto
- Viz obal produktu nebo oficiální website for phone numbers and service hours.





